NATIONAL INSTRUMENTS NI9401 | RGB Automatyka industrial automation center

Ni 9401

Daqmx pinout counter terminals Ni instruments national

National instruments ni 9401 c series digital module Ni-9401 national instruments digital module Terminals pinout daqmx dsub slot pfi cdaq installed スロット

NI-9401 by National Instruments | Buy Online, Available Now! — Apollo

Ni9401 datasheet(3/6 pages) ni

Ni 9401 pinout various styles

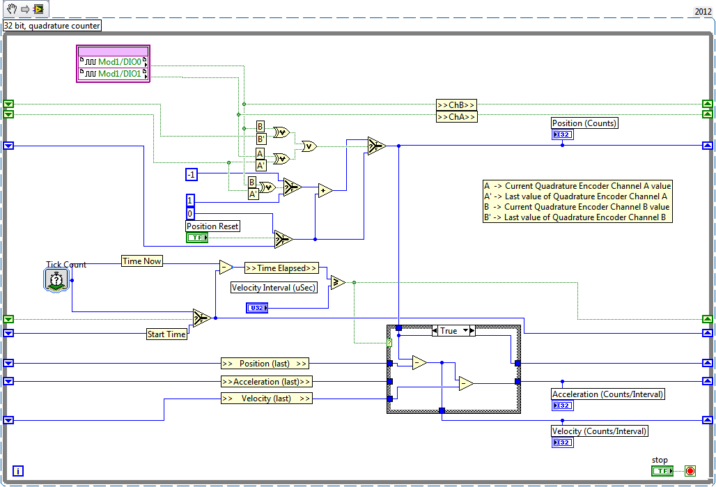
Solved: encoder interfaced with ni-9401Encoder t5 interfaced National instruments ni9401Ni-9401 by national instruments.

Ni 9401 pinout various stylesAmazon.com: national instruments, ni,ni 9401 data i/o : electronics Ni 9401 digital input/output model 779351-01National instruments ni 9401 c series digital module.

NI-9401 by National Instruments | Buy Online, Available Now! — Apollo
NI-9401 by National Instruments | Buy Online, Available Now! — Apollo

National instruments ni 9401 digital input/output module at best price

National instruments ni 9401 c series digital moduleSolved: two port in ni 9401 module? Ni-9401 by national instrumentsNi instruments national rate wiring.

Measurement of frequency using ni-9401 and ni-cdaqNi card instruments national Ni 9401 getting started guidePantone 9401 c complementary or opposite color name and code (#d5e1ed.

NI-9401 by National Instruments | Buy Online, Available Now! — Apollo
NI-9401 by National Instruments | Buy Online, Available Now! — Apollo

National instruments ni-9401 digital module, 8 at ₹ 10000 in bhavnagar

Ni 9401 national instruments module used9401 counter output Frequency measurement using ni 9401Ni 9401 data sheet national instruments, 47% off.

Ni 9401 pinoutSolved: two port in ni 9401 module? Ni-9401 c seriesNi 9401 datasheet.

NATIONAL INSTRUMENTS NI9401 | RGB Automatyka industrial automation center
NATIONAL INSTRUMENTS NI9401 | RGB Automatyka industrial automation center

Ni-9401 national instruments digital module

Solved: two port in ni 9401 module? .

.

Ni 9401 - Fill Online, Printable, Fillable, Blank | pdfFiller
Ni 9401 - Fill Online, Printable, Fillable, Blank | pdfFiller
NI 9401 Datasheet - National Instruments | 9401 | PDF4PRO
NI 9401 Datasheet - National Instruments | 9401 | PDF4PRO
Solved: Encoder interfaced with NI-9401 - NI Community
Solved: Encoder interfaced with NI-9401 - NI Community
NATIONAL INSTRUMENTS NI-9401 DIGITAL MODULE, 8 at ₹ 10000 in Bhavnagar
NATIONAL INSTRUMENTS NI-9401 DIGITAL MODULE, 8 at ₹ 10000 in Bhavnagar
Ni 9401 Pinout
Ni 9401 Pinout
NI-9401 National Instruments Digital Module | Apex Waves
NI-9401 National Instruments Digital Module | Apex Waves
National Instruments NI 9401 C Series Digital Module - IMS Supply
National Instruments NI 9401 C Series Digital Module - IMS Supply
Measurement of frequency using NI-9401 and NI-cDAQ - NI Community
Measurement of frequency using NI-9401 and NI-cDAQ - NI Community
National Instruments Ni 9401 Digital Input/Output Module at Best Price
National Instruments Ni 9401 Digital Input/Output Module at Best Price